Создать аккаунт
Главные новости » Наука и технологии » Ученые запатентовали новый композит для производства прочных полиэтиленовых труб

Ученые запатентовали новый композит для производства прочных полиэтиленовых труб

0

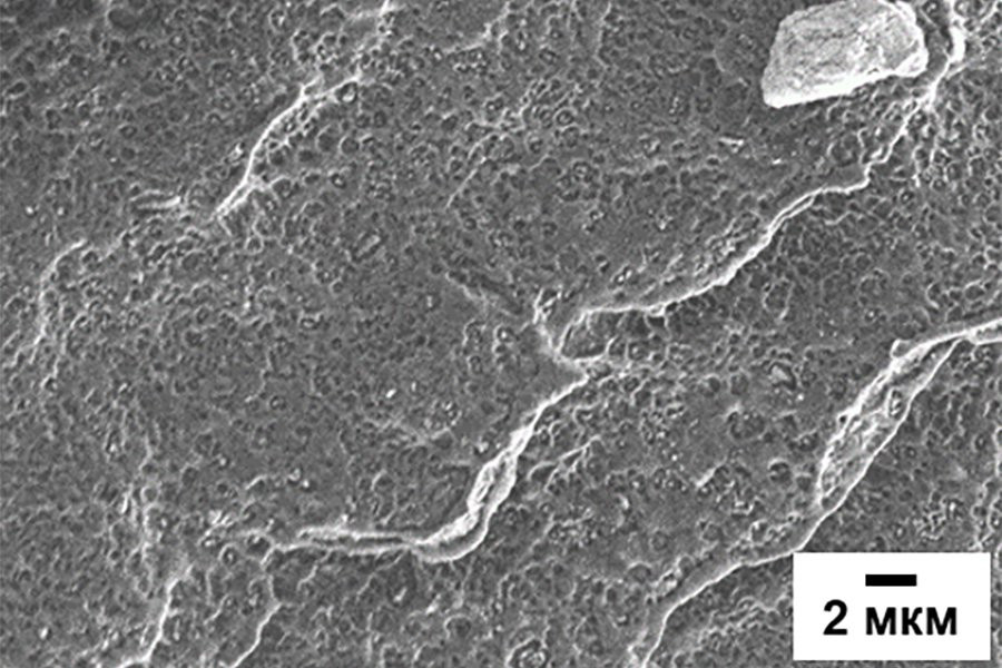
Изображение: сканирующая электронная микроскопия композиционного материала на основе трубного полиэтилена с добавлением УНВ
Специалисты ФИЦ «Институт катализа СО РАН» совместно с коллегами из Института проблем нефти и газа СО РАН (Якутия) запатентовали композиционный материал на основе трубного полиэтилена с добавлением углеродных нановолокон (УНВ), устойчивый к истиранию. Для получения нановолокон методом пиролиза углеводородов в ИК СО РАН разработали катализаторы на основе никеля и меди.
 
Полимеры как материал для производства труб показывают более высокие качественные характеристики, чем сталь — она сильнее уязвима перед абразивными средами. Чтобы повысить прочность полимеров, используют углеродные наноматериалы.
 
«Трубы, изготовленные из стали, изнашиваются в процессе транспортировки через них абразивной среды достаточно быстро. Использование полимерных композитных труб более целесообразно. Основной вид износа для систем водоотведения и канализации — гидроабразивный, когда твердые частицы постепенно разрушают материал. Однако, если ввести дополнительные наноструктурированный агент, можно продлить срок эксплуатации труб», — рассказывает старший научный сотрудник лаборатории материаловедения ИПНГ СО РАН к.т.н. Евгения Петухова.
 
Нановолокна получают разными способами, но в промышленных масштабах перспективен метод пиролиза метана — с его помощью производят так называемый  бирюзовый водород, а нановолокна становятся вторым крупнотоннажным продуктом. Получение бирюзового водорода дает низкий уровень выброса углерода — его можно либо захоранивать, либо использовать в промышленности, например, сталелитейной. Специалисты Центра компетенций Национальной технологической инициативы «Водород как основа низкоуглеродной экономики» на базе ИК СО РАН разработали катализаторы на основе никеля и меди для пиролиза легких углеводородов, входящих в состав природного и попутного нефтяного газа. 
 
«Основные продукты каталитического разложения метана и других легких углеводородов — водородсодержащий газ и углеродные нановолокна. В случае реализации промышленной технологии получения водорода методом пиролиза, ожидаемый объем производства УНВ будет достаточно велик, в связи с чем остро встает вопрос поиска наиболее перспективных областей применения углеродного материала», — поясняет старший научный сотрудник Центра компетенций НТИ и отдела материаловедения и функциональных материалов ИК СО РАН к.х.н. Юрий Бауман.
 
Преимущества полученных нановолокон в том, что для усиления стойкости полиэтилена к износу необходимо меньше 1% от массы продукта. «Для достижения необходимого эффекта в состав композита вводится менее 1 масс. % УНВ. В итоге удается добиться снижения абразивного износа полиэтилена в 1.5 раза», — отмечает младший научный сотрудник Института катализа СО РАН Софья Афонникова.
 
Ученые планируют исследовать возможность применения углеродных материалов в составе других полимерных матриц.
 
Материал предоставлен пресс-службой ФИЦ «Институт катализа СО РАН»
0 комментариев
Обсудим?
Смотрите также:
Продолжая просматривать сайт kartymetro.ru вы принимаете политику конфидициальности.
ОК